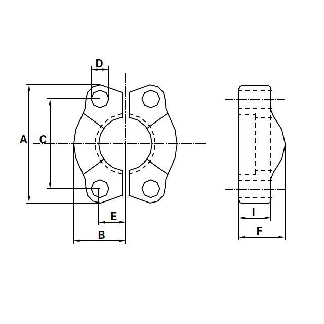
SEMI FLANGE 3K

Flanž SAE J518, přírubové hydraulické spojení, příruby

Popis

Přírubové hydraulické spojení.Výrobce Vittilo dodává typo položky pouze v párech, 1 ks = 1 pár.

Technický list